
概 述
AY型油泵系列,是在老Y型油泵系列的基础上进行改造并重新设计的。它是为满足现代化建设的需要,尽快地适应以节能为中心的设备更新换代而发展的新产品,具有下列特点。
1、轴承体部件将原35,50,60轴承体分别为45,55,70轴承体,提高了可靠性。
2、水力过流部件采用了高效节能泵的水力模型,平均比老Y型油泵的效率提高5- 8%。
3、为保持继承性,AY型油泵的结构型式、安装尺寸、性能参数范围保持与Y型油泵相同,便于老装置更新改造。
4、零部件通用化程度高,通标件为几个系列产品共用。
5.选材精炼,主体以I、加类材料为主,轴承体等零件增加为铸钢、铸铁两种,为寒冷地区、露天使用,船用提供了有利条件。
6、轴承有空气冷、风扇冷、水冷三种,根据泵的不同使用温度选用。其中风扇冷尤为适用于缺水或水质差的地区。
7、油脂化工
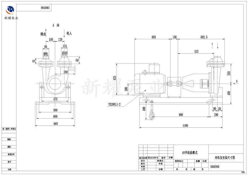
安装图:




